15161616346
网站首页
公司介绍
关于我们
企业文化
社会责任
新闻中心
行业新闻
公司新闻
产品分类
可拆式板式换热器
钎焊式板式换热器
换热器配件
换热器改装与维修
在线留言
联系我们
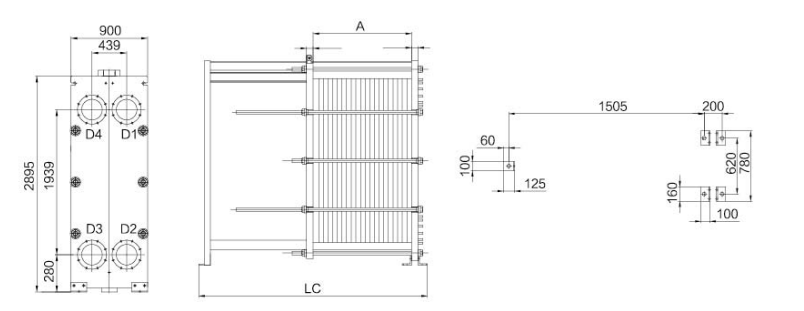
板式换热器FR250
时间:2023-06-15
点击数:1074次
技术参数 TECHNICAL DATE
设备外形尺寸 DIMENSIONS